“梯度式”突破物理教学难点
[关键词] 梯度式 整合 突破
在初中物理教学过程中,不少学生对一些物理规律不易理解,究其原因,就是学生的思维能力与学生对所学内容的要求存在较大的差距。如何缩小这一差距呢?教师应该根据教学内容,学生的实际情况整合教材,改进教学方法、手段,引导学生“梯度式”地突破这一教学难点。
所谓“梯度式”教学,就是为了达到学生掌握物理知识的目的,教师应把教材上原来 “成块”的知识进行合理整合、分解,使课堂教学过程形成阶梯式的结构。
案例一:初二物理中透镜对光线的作用问题,按教材安排,只是单纯通过观察实验,总结实验现象,然后机械性得出结论:凸透镜对光线有汇聚作用,凹透镜对光线有发散作用。由于学生不了解其中光的折射过程,因此在解决一些较为复杂的练习时,无从下手,容易出错。对此,我们可以利用学生在掌握了光的折射原理之后,设计练习来引导学生“梯度式”理解,突破这一难题。
如上图所述,先让学生完成图(a)光线通过三棱镜的光路图,然后让学生完成图(b),在此基础上,同时画出图(c),图(d)的光路图。学生掌握这些内容后,再让其设想,让光线通过边缘薄,中间厚的凸透镜(e)和边缘厚,中间薄的凹透镜(f)后,将会是什么样子。经过这样由浅到深“梯度式”的引导学习,学生就会很自然理解、掌握这一规律:凸透镜对光线有汇聚作用,凹透镜对光线有发散作用。
案例二:初三物理滑轮组的机械效率,也是我们教学难点、重点。学生很难明确影响滑轮组机械效率的几个因素。因此,我们设计这样的练习,如图②所示:
现有规格相同的滑轮和钩码若干个,其中每个钩码重G钩码=20N,每个滑轮重G滑轮=2N,忽略摩擦,要求分别写出三个滑轮组的机械效率的表达式。
从题目中可看出,经过教师这样按问题的层次分步设计,已把“物重”和“轮重”这两个主要影响滑轮组机械效率的因素巧妙地包含其中。教师再加以引导,师生讨论,自然很快会得到结论。最后让学生把结果与滑轮组相对照分析,就很容易抓住问题的关键,问题自然迎刃而解。
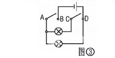
案例三:初二物理的电功率问题,也是教学的重点、难点。尤其是电功率与电阻大小关系的问题,学生更是无法正确理解,无法应用公式:P=I2R,P=U2/R来分析解决实际问题,我们可以设计以下一节由实验和系列计算交替进行的讨论课来解决这一问题。
课前教师准备好一个由两只额定功率不同的灯泡组成的串、并联可转换的演示电路,如图③所示:
通过演示观察并思考下列问题:有两只小灯泡上分别标有:“6V,2W”和 “6V,3W”的字样,试求:
(1)它们的电阻R1、R2分别是多少?
(2)若将它们串联接入电压为5V的电路
中,求出它们的实际功率P1、P2。(3)将它们并联接入电压为5V的电路中,求它们的实际功率P1、P2。
(4)比较这两种接法时灯泡的实际功率跟它们的电阻R1、R2的关系。
通过以上问题的层层深入,学生自然而然就会突破这一难点,很快得到结果。
案例四:物体受到的浮力与浸在液体中深度的关系。我们在帮学生认识这一难题时,可以将问题“一分为二”:浸没前(图1)和浸没后(图2)进行分析,紧紧抓住阿基米德原理,此时物体受到的浮力只与浸在液体中的体积有关。浸没前,浸在液体中的体积越来越大,受到的浮力也越来越大;浸没后,浸在液体中的体积不变,所以浮力也不变。在层层分析后,学生就能清晰地认识到:浸没前,物体受到的浮力随着浸在液体中深度越来越大;浸没后,物体受到的浮力与浸在液体中深度无关。
在教学过程中,只要我们从学生实际出发,合理地分解、整合教材,“梯度式”地引导学生,步步深入,教学难点就会得到有效突破。
上一篇:浅议语文教学与生活
下一篇:浅谈思想政治课中情感教育的运用
热点图片
- 头条新闻
- 新闻推荐
最新专题

- 强国必先强教,强教必先强师。今年9月10日是我国第41个教师节,主题是“以教育家精神铸魂强师,谱写教育强国建设华章”。





