针对失分原因寻求复习对策——谈中考物理计算题专题复习
物理计算题是通过物理定律、公式的运用与计算,对题目给出物理量进行数字运算,得出正确结果。计算题的作用是培养学生的分析能力、语言表达能力、应用物理知识解决问题的能力,提高学生运用数学工具解决物理问题的技巧。由于计算题能够全面检查学生的学习情况,其作用是其他题型无法替代的。因此,纵观历年的物理中考,计算题都是必考的重点题型。对学生而言,计算题也是难点题型,得分率通常低于其他题型。虽然计算题题量少,但每题分值大,总分值通常占到12 分~16 分。所以,解好计算题往往是中考致胜的关键。
为了应对中考,教师应该怎样进行计算题专题复习呢?虽然是仁者见仁智者见智,但我认为,先分析学生在物理计算题方面的失分原因,再采取有针对性的复习对策,效果会好些。
一、失分原因
(一)乱套用公式。物理计算题不是简单地考学生的数学计算能力,而是考学生运用物理规律、运用物理公式的熟练程度。然而在解答计算题时,一些学生,尤其是学习物理感到困难的学生,由于对物理规律认识不够,理解不深,总容易犯乱套公式的错误。例如:一容器重4.2N,放在水平桌面上,容器上部是边长为5cm 的正方体,下部是边长为10cm 的正方体。若向容器内注满水(g=10N/kg),求容器底部所受到的水的压强是多少?解答此题时有一部分同学就乱套用公式
P=F/S=4.2N/(0.1m×0.1m)=420 pa,
或P=ρg V=1.0 × 103 kg/m3 × 10N/ kg × (0.1m×0.1m×0.1m)=10pa
(二)审题不清。正确解答计算题的第一步是细心读题,审清题意,在此基础上再寻找解题依据。然而,在解答计算题时,有一部分学生由于心情浮躁、粗心,未能审清题意,忽略了题目中的某些条件,导致思路不清,误入圈套,从而做错了题,丢了分数。例如:有一电源电压20 伏恒定不变,把一个“24V 6W”的灯泡接入此电源电路中,求该灯泡工作时的电流是多少?做错此题的大部分学生都是直接用I= P/U=6W/24V=0.25A,而没有看清楚或忽略了灯泡的工作电压是20V,而不是24V。
(三)解题格式不规范。在以往考试中,还发现较多学生由于平时没有养成良好的解题习惯,而致使解题格式不规范,从而丢了分。格式不规范主要有以下几种情况:1)好像小学生解应用题一样,只有数字计算,没有书写公式,或没有必要的文字说明;2)有公式,但忘记写上数据后面的单位,或错写单位;3)有公式、有单位,但单位不统一,或符号书写不规范;4)最后没有答。
二复习对策
(一)系统地复习公式。物理公式一般有反映物质某个属性的定义式和量度式,也有反映物理量之间物理规律的决定式,还有直接反映某个实验定律的表达式等。笔者在长期的实践中深深地体会到:在进行中考的总复习中,先后采用归类法和比较法,系统地进行复习物理公式,不仅让学生有个再知新的过程,而且亦可提高记忆功效,减少运用物理知识的复杂性,大大提高学生解答计算题的能力。
1、归类法:把同类的公式联系起来,归纳成条,可提高记忆功效。例如:
重力G=mg
合力F合(N)方向相同:F合=F1+F2
方向相反:F合=F1-F(2 F1>F2)
浮力(1)称重法:F浮=G空-G水
(2)阿基米德原理:F浮=G排=ρ水g v排
(3)状态法:F 浮=G 物(物体处于悬浮或漂浮时)
(4)压力差法:F浮=F向上-F向下
2、比较法:把互有联系的公式或将类似的公式进行比较,一目了然,便于记忆。例如:串联电路特点:I=I1=I2,U=U1+U2,R=R1+R2
并联电路特点:I=I1 + I2,U=U1=U2,R= R1R2/R1+R2
计算重力公式:G=ρgv
浮力公式: F 浮=G 排=ρ水g v 排
液体压强公式:p=ρgh
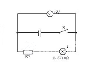
(二)明确解题步骤,点拨解题技巧。在计算题专题复习时,我先让学生明确解题的基本步骤:1、细心读题,仔细审题;2、分析题意,寻找解题根据;3、解答和检验。然后再点拨学生审题、析题的技巧。一、由于计算题常结合生活实际,题目内容较多,因此,要求学生耐心读完题,不能跳读。二、要教会学生能从各种各样的信息中筛选出自己所需要的信息,抓住关键词句,理清已知条件和被求。并要求学生能根据题意需要画出受力分析图、电路图或根据题意将“题干”中的一些信息迁移到图形上,从而“题形结合”,形成一个直观的整体,找到解题的突破口。三、要能根据题目中经常出现一些诸如“正常发光”、“静止”、“漂浮”和“家庭电路”等常见关键词,挖掘它们隐含的条件分别是“用电器在额定电压下工作”、“二力平衡”、 “浮力等于重力”和“电压为220V”等。我们在审题时只有抓住这些“题眼”,才可能使问题得到顺利解决。四、要提醒学生有些计算题的题干很长,甚至还有一些“干扰条件”包含在其中,如果从条件入手短时间不容易打开思路,这时候,我们可抓住所求量,联想相关的物理公式,逆向思维,往往就会势如破竹,使问题迎刃而解。例如:如图所示,小灯泡标有“2.5V 18 Ω”字样,闭合开关S后,灯泡L正常发光,电压表的示数为6V,试求电阻R 的阻值是多少?
解题思路:首先找出已知条件(电压表的示数即电源电压为6V,灯泡的电阻为18Ω)和被求(电阻R的阻值是多少),以及隐含的条件 “正常发光”指小灯泡在额定电压2.5V 中工作。并把这些信息标在电路图上(见图)。然后从所求量入手,R=U/I。由于电阻R与灯泡 L 串联,U 等于电源电压减去灯泡L 两端的电压,即U=6V-2.5V=3.5V;I 等于通过灯泡L 的电流,而根据公式I=U/R,即可求出IL=UL/ RL=2.5V/18 Ω ≈0.14A,最后求出R=U/I= 3.5V/0.14A=25Ω
(三)强化格式训练。作为物理教师,平时要注意培养学生严密的逻辑思维能力,培养学生精密做事的习惯。对于物理的计算题来说,答题的步骤、答案与格式同等重要。这要求学生在解答计算题的过程中不仅要正确,而且格式要规范,否则就会失分。因此,在解计算题时,我要求学生一定要做到以下几点:1)若题目中单位不统一的,先要进行单位换算。2)要正确写出有关的公式。3)正确代入公式中物理量的数字和单位。4)结果要作答。通过格式强化训练,让学生在头脑中真正树立这样的概念:会做与拿到分数是两回事,没有正确表达,规范解题就不算完成。
总之,根据学生平时的弱点,有针对、有计划地进行复习,就能达到预期的效果。
上一篇:新课程背景下化学教学策略的探究
下一篇:体育锻炼有助智力发展
热点图片
- 头条新闻
- 新闻推荐
最新专题

- 强国必先强教,强教必先强师。今年9月10日是我国第41个教师节,主题是“以教育家精神铸魂强师,谱写教育强国建设华章”。


